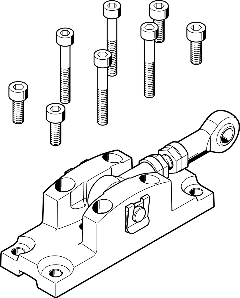
FKC-50/63 FESTO 扭矩补偿器:中等耐腐蚀,高负载能力
2024-08-12在自动化技术领域,扭矩补偿器是确保机械臂和自动化设备精确操作的重要组件。FESTO,作为全球自动化技术的领导者,推出了FKC-50/63扭矩补偿器,一款具备中等耐腐蚀能力和高负载承受力的产品。

产品概述
FKC-50/63扭矩补偿器是FESTO设计用于自动化系统中,以补偿由于制造公差、磨损或热变形引起的轴向偏差。它能够提供稳定的操作性能,即使在恶劣的工作环境条件下。
核心特性
中等耐腐蚀能力
- 耐腐蚀等级为CRC 2,具有中等耐腐蚀能力,适用于多种化学和工业环境。
精确的径向偏差补偿
- 径向偏差±4 mm的补偿能力,确保了机械臂和自动化设备的精确对接。
强大的负载承受力
- 在±力方向上,允许的最大短期负载和长期负载均达到5000 N,适合高负载应用。
轻量化设计
- 产品重量仅为1200 g,便于安装和集成到自动化系统中。
环境适应性
- 工作在-10 °C至60 °C的环境温度范围内,具有良好的温度适应性。
RoHS合规材料
- 所有材料均符合RoHS标准,保障了产品的环保性和用户的安全使用。
材料说明
- 螺栓材料:高合金钢,提供高强度连接。
- 接头材料:高合金钢,确保连接的稳定性和耐久性。
- 螺纹件材料:钢,保证螺纹的精度和可靠性。
- 板材料:铸铝,轻质且具有足够的强度。
- 锁的材料:弹簧钢,提供持久的锁紧力。
FESTO的FKC-50/63扭矩补偿器以其中等耐腐蚀能力、高负载承受力和精确的补偿性能,成为自动化设备中不可或缺的组件。它不仅提升了设备的稳定性和可靠性,也优化了在多变环境中的应用表现。选择FESTO,选择一个稳定、可靠的工业自动化伙伴。
FENG-100-320-KF
FENG-100-400-KF
FENG-100-500-KF
FH
FK-5/16-24
FK-3/8-24
FK-1/2-20
FK-5/8-18
FK-3/4-16
FK-1-12
FK-6-32
FK-10-32
FKC-8/12
FKC-18
FKC-25
FKC-32
FKC-40
FKC-50/63
FKG-16-B
FKG-20-B
FKG-25-B
FKG-32-B
FKG-40-B
FK-M4
FK-M5
FK-M6
FK-M8
FK-M10
FK-M10X1,25
FK-M12
FK-M12X1,25
FK-M16
FK-M16X1,5
FK-M20X1,5
FK-M27X2
FK-M36X2
FLP-7-PK-3
FLP-PK-4
FLSM-6-L
FLSM-6-R
FLSM-8-L
FLSM-8-R
FLSM-10-L
FLSM-10-R
FLSM-12-L
FLSM-12-R
FLSM-16-L
FLSM-16-R
FLSM-25-L
FLSM-25-R
FLSM-32-L
FLSM-32-R
FLSM-40-L
FLSM-40-R
FLSR-10-L
FLSR-10-R
FLSR-12-L
FLSR-12-R
FLSR-16-L
FLSR-16-R
FLSR-25-L
FLSR-25-R
FLSR-32-L
FLSR-32-R
FLSR-40-L
FLSR-40-R
FMA-40-10-1/4-EN
FMA-40-16-1/4-EN
FMA-50-2,5-1/4-EN
FMA-50-10-1/4-EN
FMA-50-16-1/4-EN
FMA-63-0,25-C
FMA-63-2,5-1/4-EN
FMA-63-10-1/4-EN
FMA-63-16-1/4-EN
FMAP-63-1-1/4-EN
FMAP-63-16-1/4-EN
FMAP-63-4-1/4-EN
FMAP-63-6-1/4-EN
FNC-12
FNC-16
FNC-20
FNC-25
FNC-32
FNC-40
FNC-50
FNC-63
FNC-80
FNC-100
FNC-125
FNG-160
FNG-200
FNG-250
FNG-320
FO-3-1/4-B
FP-3-1/4-B
FP-5-1/4-B
FPB-3-1/4
FPB-5-1/4
FPH-121
FR-1/4-A/I
FR-1/8-A/I
FR-12-M5
FR-12-PK-3-B
FR-12-PK-4-B